
高压双面金属化聚丙烯膜电容器
查看PDF:C80_CBB80双面金属化聚丙烯膜电容器_2021.pdf


● 产品描述
双面金属化膜内串无感式结构;
用高性能阻燃环氧树脂封装于UL94-V0阻燃塑壳中;
高频损耗极小,内部温升小,绝缘电阻高,能承受高电压与高脉冲电流,具有良好的自愈特性;
应用于高频高压脉冲电路、电视机及显示器中的行回扫逆程、电子照明(镇流器、节能灯、汽车头灯)、吸收和SCR整流器、开关电源等。
● 性能指标 Specifications
引用标准 Reference Standard | GB/T 14579 | ||||||
气候类别 Climatic Category | 40/105/56 | ||||||
工作温度 Operating Temperature | -40℃~+105℃(85~+105℃:decreasing factor 1.25% per ℃ for UR) | ||||||
额定电压 Rated Voltage | 250V、400V、630V、1000V、1600V、2000V( DC ) | ||||||
容量范围 Capacitance Range | 0.00022~3.9μF | ||||||
容量偏差 Capacitance Tolerance | J :±5% K :±10% | ||||||
耐电压 Voltage Proof | 1.6UR ( 5s ) | ||||||
损耗角正切 Dissipation Factor | ≤0.0010 ( 20℃,1kHz ) | ||||||
绝缘电阻 Insulation Resistance | R≥30000MΩ, CR≤0.33μF | ( 20℃,100V,1min ) | |||||
RCR≥10000MΩ·μF,CR>0.33μF | |||||||
较大脉冲爬升速率 Max Pulse Rise Time(dV/dt) | UR(V) | dV/dt(V/μs) | |||||
P=7.5 | P=10 | P=15 | P=22.5 | P=27.5 | |||
250 | 1000 | 900 | 500 | 220 | 180 | ||
400 | 1600 | 1300 | 800 | 450 | 250 | ||
630 | 2800 | 2800 | 2200 | 1300 | 800 | ||
1000 | 5400 | 5400 | 2900 | 1800 | 900 | ||
1600 | — | — | 5400 | 2700 | 1800 | ||
2000 | — | — | 9000 | 4500 | 1900 | ||
产品编码说明 Part number system
● 16位产品代码如下:
1 | 2 | 3 | 4 | 5 | 6 | 7 | 8 | 9 | 10 | 11 | 12 | 13 | 14 | 15 | 16 |
C | 8 | 0 |
第1~3位 Digit 1 to 3 型号代码 Series code
C80=CBB80
第4~6位 Digit 4 to 6 额定电压 Rated voltage
举例:163=101×63 V=630 V
216=102×16 V=1600 V
第7位 Digit 7 交流/直流电压 AC/DC
A=AC D=DC
第8~10位 Digit 8 to 10 标称容量 Rated capacitance value
举例:310=103×10 pF=0.01μF
第11位 Digit 11 容量偏差 Capacitance tolerance
H=±3%,J=±5%,K=±10%
第12~16位 Digit 12 to 16 内部特征码 Internal use
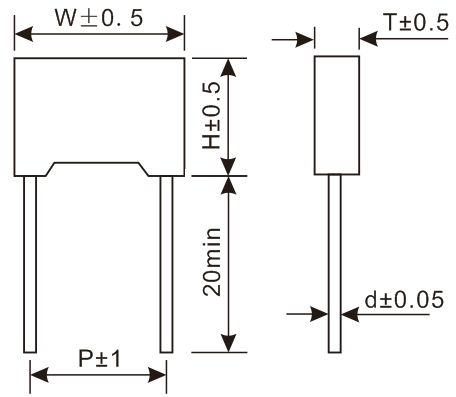
● 规格尺寸Dimensions
250VDC | 250VDC | |||||||||||||
CR | W | H | T | P | d | Part Number | CR | W | H | T | P | d | Part Number | |
0.0068 | 10.5 | 9 | 4 | 7.5 | 0.6 | C80125D268-3**** | 0.18 | 18 | 13.5 | 7.5 | 15 | 0.8 | C80125D418-6**** | |
0.0082 | 10.5 | 9 | 4 | 7.5 | 0.6 | C80125D282-3**** | 0.22 | 18 | 13.5 | 7.5 | 15 | 0.8 | C80125D422-6**** | |
0.01 | 10.5 | 9 | 4 | 7.5 | 0.6 | C80125D310-3**** | 0.27 | 18 | 14.5 | 8.5 | 15 | 0.8 | C80125D427-6**** | |
0.012 | 10.5 | 9 | 4 | 7.5 | 0.6 | C80125D312-3**** | 0.33 | 18 | 16 | 10 | 15 | 0.8 | C80125D433-6**** | |
0.015 | 10.5 | 9 | 4 | 7.5 | 0.6 | C80125D315-3**** | 0.39 | 18 | 16 | 10 | 15 | 0.8 | C80125D439-6**** | |
0.018 | 10.5 | 9 | 4 | 7.5 | 0.6 | C80125D318-3**** | 0.22 | 26.5 | 15 | 6 | 22.5 | 0.8 | C80125D422-9**** | |
0.022 | 10.5 | 9 | 4 | 7.5 | 0.6 | C80125D322-3**** | 0.27 | 26.5 | 15 | 6 | 22.5 | 0.8 | C80125D427-9**** | |
0.027 | 10.5 | 11 | 5 | 7.5 | 0.6 | C80125D327-3**** | 0.33 | 26.5 | 15 | 6 | 22.5 | 0.8 | C80125D433-9**** | |
0.033 | 10.5 | 11 | 5 | 7.5 | 0.6 | C80125D333-3**** | 0.39 | 26.5 | 16.5 | 7 | 22.5 | 0.8 | C80125D439-9**** | |
0.039 | 10.5 | 12 | 6 | 7.5 | 0.6 | C80125D339-3**** | 0.47 | 26.5 | 16.5 | 7 | 22.5 | 0.8 | C80125D447-9**** | |
0.047 | 10.5 | 12 | 6 | 7.5 | 0.6 | C80125D347-3**** | 0.56 | 26.5 | 17 | 8.5 | 22.5 | 0.8 | C80125D456-9**** | |
0.027 | 13 | 9 | 4 | 10 | 0.6 | C80125D327-4**** | 0.68 | 26.5 | 19.5 | 10.5 | 22.5 | 0.8 | C80125D468-9**** | |
0.033 | 13 | 9 | 4 | 10 | 0.6 | C80125D333-4**** | 0.82 | 26.5 | 19.5 | 10.5 | 22.5 | 0.8 | C80125D482-9**** | |
0.039 | 13 | 9 | 4 | 10 | 0.6 | C80125D339-4**** | 1 | 26.5 | 22 | 12 | 22.5 | 0.8 | C80125D510-9**** | |
0.047 | 13 | 11 | 5 | 10 | 0.6 | C80125D347-4**** | 0.82 | 31.5 | 18 | 9 | 27.5 | 0.8 | C80125D482-B**** | |
0.056 | 13 | 11 | 5 | 10 | 0.6 | C80125D356-4**** | 1 | 31.5 | 20 | 11 | 27.5 | 0.8 | C80125D510-B**** | |
0.068 | 13 | 12 | 6 | 10 | 0.6 | C80125D368-4**** | 1.2 | 31.5 | 20 | 11 | 27.5 | 0.8 | C80125D512-B**** | |
0.082 | 13 | 12 | 6 | 10 | 0.6 | C80125D382-4**** | 1.5 | 31.5 | 22 | 13 | 27.5 | 0.8 | C80125D515-B**** | |
0.068 | 18 | 11 | 5 | 15 | 0.6 | C80125D368-6**** | 1.8 | 31.5 | 23.5 | 14 | 27.5 | 0.8 | C80125D518-B**** | |
0.082 | 18 | 11 | 5 | 15 | 0.6 | C80125D382-6**** | 2.2 | 31.5 | 23.5 | 14 | 27.5 | 0.8 | C80125D522-B**** | |
0.1 | 18 | 11 | 5 | 15 | 0.6 | C80125D410-6**** | 2.7 | 31.5 | 33 | 18 | 27.5 | 0.8 | C80125D527-B**** | |
0.12 | 18 | 12 | 6 | 15 | 0.8 | C80125D412-6**** | 3.3 | 31.5 | 33 | 18 | 27.5 | 0.8 | C80125D533-B**** | |
0.15 | 18 | 12 | 6 | 15 | 0.8 | C80125D415-6**** | 3.9 | 31.5 | 33 | 18 | 27.5 | 0.8 | C80125D539-B**** | |
● 规格尺寸Dimensions
400VDC | 400VDC | |||||||||||||
CR | W | H | T | P | d | Part Number | CR | W | H | T | P | d | Part Number | |
0.0027 | 10.5 | 9 | 4 | 7.5 | 0.6 | C80140D227-3**** | 0.082 | 18 | 12 | 6 | 15 | 0.8 | C80140D382-6**** | |
0.0033 | 10.5 | 9 | 4 | 7.5 | 0.6 | C80140D233-3**** | 0.1 | 18 | 13.5 | 7.5 | 15 | 0.8 | C80140D410-6**** | |
0.0039 | 10.5 | 9 | 4 | 7.5 | 0.6 | C80140D239-3**** | 0.12 | 18 | 13.5 | 7.5 | 15 | 0.8 | C80140D412-6**** | |
0.0047 | 10.5 | 9 | 4 | 7.5 | 0.6 | C80140D247-3**** | 0.15 | 18 | 14.5 | 8.5 | 15 | 0.8 | C80140D415-6**** | |
0.0056 | 10.5 | 9 | 4 | 7.5 | 0.6 | C80140D256-3**** | 0.18 | 18 | 16 | 10 | 15 | 0.8 | C80140D418-6**** | |
0.0068 | 10.5 | 9 | 4 | 7.5 | 0.6 | C80140D268-3**** | 0.22 | 18 | 16 | 10 | 15 | 0.8 | C80140D422-6**** | |
0.0082 | 10.5 | 9 | 4 | 7.5 | 0.6 | C80140D282-3**** | 0.27 | 18 | 19 | 11 | 15 | 0.8 | C80140D427-6**** | |
0.01 | 10.5 | 9 | 4 | 7.5 | 0.6 | C80140D310-3**** | 0.12 | 26.5 | 15 | 6 | 22.5 | 0.8 | C80140D412-9**** | |
0.012 | 10.5 | 9 | 4 | 7.5 | 0.6 | C80140D312-3**** | 0.15 | 26.5 | 15 | 6 | 22.5 | 0.8 | C80140D415-9**** | |
0.015 | 10.5 | 11 | 5 | 7.5 | 0.6 | C80140D315-3**** | 0.18 | 26.5 | 15 | 6 | 22.5 | 0.8 | C80140D418-9**** | |
0.018 | 10.5 | 11 | 5 | 7.5 | 0.6 | C80140D318-3**** | 0.22 | 26.5 | 16.5 | 7 | 22.5 | 0.8 | C80140D422-9**** | |
0.022 | 10.5 | 12 | 6 | 7.5 | 0.6 | C80140D322-3**** | 0.27 | 26.5 | 17 | 8.5 | 22.5 | 0.8 | C80140D427-9**** | |
0.027 | 10.5 | 12 | 6 | 7.5 | 0.6 | C80140D327-3**** | 0.33 | 26.5 | 17 | 8.5 | 22.5 | 0.8 | C80140D433-9**** | |
0.01 | 13 | 9 | 4 | 10 | 0.6 | C80140D310-4**** | 0.39 | 26.5 | 19.5 | 10.5 | 22.5 | 0.8 | C80140D439-9**** | |
0.012 | 13 | 9 | 4 | 10 | 0.6 | C80140D312-4**** | 0.47 | 26.5 | 19.5 | 10.5 | 22.5 | 0.8 | C80140D447-9**** | |
0.015 | 13 | 9 | 4 | 10 | 0.6 | C80140D315-4**** | 0.56 | 26.5 | 22 | 12 | 22.5 | 0.8 | C80140D456-9**** | |
0.018 | 13 | 9 | 4 | 10 | 0.6 | C80140D318-4**** | 0.68 | 26.5 | 22 | 12 | 22.5 | 0.8 | C80140D468-9**** | |
0.022 | 13 | 9 | 4 | 10 | 0.6 | C80140D322-4**** | 0.39 | 31.5 | 18 | 9 | 27.5 | 0.8 | C80140D439-B**** | |
0.027 | 13 | 11 | 5 | 10 | 0.6 | C80140D327-4**** | 0.47 | 31.5 | 18 | 9 | 27.5 | 0.8 | C80140D447-B**** | |
0.033 | 13 | 11 | 5 | 10 | 0.6 | C80140D333-4**** | 0.56 | 31.5 | 20 | 11 | 27.5 | 0.8 | C80140D456-B**** | |
0.039 | 13 | 12 | 6 | 10 | 0.6 | C80140D339-4**** | 0.68 | 31.5 | 20 | 11 | 27.5 | 0.8 | C80140D468-B**** | |
0.047 | 13 | 12 | 6 | 10 | 0.6 | C80140D347-4**** | 0.82 | 31.5 | 22 | 13 | 27.5 | 0.8 | C80140D482-B**** | |
0.033 | 18 | 11 | 5 | 15 | 0.6 | C80140D333-6**** | 1 | 31.5 | 23.5 | 14 | 27.5 | 0.8 | C80140D510-B**** | |
0.039 | 18 | 11 | 5 | 15 | 0.6 | C80140D339-6**** | 1.2 | 31.5 | 23.5 | 14 | 27.5 | 0.8 | C80140D512-B**** | |
0.047 | 18 | 11 | 5 | 15 | 0.6 | C80140D347-6**** | 1.5 | 31.5 | 33 | 18 | 27.5 | 0.8 | C80140D515-B**** | |
0.056 | 18 | 11 | 5 | 15 | 0.6 | C80140D356-6**** | 1.8 | 31.5 | 33 | 18 | 27.5 | 0.8 | C80140D518-B**** | |
0.068 | 18 | 12 | 6 | 15 | 0.8 | C80140D368-6**** | ||||||||
● 规格尺寸Dimensions
630VDC | 630VDC | |||||||||||||
CR | W | H | T | P | d | Part Number | CR | W | H | T | P | d | Part Number | |
0.00068 | 10.5 | 9 | 4 | 7.5 | 0.6 | C80163D168-3**** | 0.033 | 18 | 12 | 6 | 15 | 0.8 | C80163D333-6**** | |
0.00082 | 10.5 | 9 | 4 | 7.5 | 0.6 | C80163D182-3**** | 0.039 | 18 | 12 | 6 | 15 | 0.8 | C80163D339-6**** | |
0.001 | 10.5 | 9 | 4 | 7.5 | 0.6 | C80163D210-3**** | 0.047 | 18 | 12 | 6 | 15 | 0.8 | C80163D347-6**** | |
0.0012 | 10.5 | 9 | 4 | 7.5 | 0.6 | C80163D212-3**** | 0.056 | 18 | 13.5 | 7.5 | 15 | 0.8 | C80163D356-6**** | |
0.0015 | 10.5 | 9 | 4 | 7.5 | 0.6 | C80163D215-3**** | 0.068 | 18 | 14.5 | 8.5 | 15 | 0.8 | C80163D368-6**** | |
0.0018 | 10.5 | 9 | 4 | 7.5 | 0.6 | C80163D218-3**** | 0.082 | 18 | 14.5 | 8.5 | 15 | 0.8 | C80163D382-6**** | |
0.0022 | 10.5 | 9 | 4 | 7.5 | 0.6 | C80163D222-3**** | 0.1 | 18 | 16 | 10 | 15 | 0.8 | C80163D410-6**** | |
0.0027 | 10.5 | 9 | 4 | 7.5 | 0.6 | C80163D227-3**** | 0.12 | 18 | 19 | 11 | 15 | 0.8 | C80163D412-6**** | |
0.0033 | 10.5 | 9 | 4 | 7.5 | 0.6 | C80163D233-3**** | 0.047 | 26.5 | 15 | 6 | 22.5 | 0.8 | C80163D347-9**** | |
0.0039 | 10.5 | 9 | 4 | 7.5 | 0.6 | C80163D239-3**** | 0.056 | 26.5 | 15 | 6 | 22.5 | 0.8 | C80163D356-9**** | |
0.0047 | 10.5 | 9 | 4 | 7.5 | 0.6 | C80163D247-3**** | 0.068 | 26.5 | 15 | 6 | 22.5 | 0.8 | C80163D368-9**** | |
0.0056 | 10.5 | 9 | 4 | 7.5 | 0.6 | C80163D256-3**** | 0.082 | 26.5 | 15 | 6 | 22.5 | 0.8 | C80163D382-9**** | |
0.0068 | 10.5 | 11 | 5 | 7.5 | 0.6 | C80163D268-3**** | 0.1 | 26.5 | 15 | 6 | 22.5 | 0.8 | C80163D410-9**** | |
0.0082 | 10.5 | 11 | 5 | 7.5 | 0.6 | C80163D282-3**** | 0.12 | 26.5 | 16.5 | 7 | 22.5 | 0.8 | C80163D412-9**** | |
0.01 | 10.5 | 12 | 6 | 7.5 | 0.6 | C80163D310-3**** | 0.15 | 26.5 | 17 | 8.5 | 22.5 | 0.8 | C80163D415-9**** | |
0.012 | 10.5 | 12 | 6 | 7.5 | 0.6 | C80163D312-3**** | 0.18 | 26.5 | 17 | 8.5 | 22.5 | 0.8 | C80163D418-9**** | |
0.0039 | 13 | 9 | 4 | 10 | 0.6 | C80163D239-4**** | 0.22 | 26.5 | 19.5 | 10.5 | 22.5 | 0.8 | C80163D422-9**** | |
0.0047 | 13 | 9 | 4 | 10 | 0.6 | C80163D247-4**** | 0.27 | 26.5 | 22 | 12 | 22.5 | 0.8 | C80163D427-9**** | |
0.0056 | 13 | 9 | 4 | 10 | 0.6 | C80163D256-4**** | 0.33 | 26.5 | 22 | 12 | 22.5 | 0.8 | C80163D433-9**** | |
0.0068 | 13 | 9 | 4 | 10 | 0.6 | C80163D268-4**** | 0.39 | 26.5 | 22 | 12 | 22.5 | 0.8 | C80163D439-9**** | |
0.0082 | 13 | 9 | 4 | 10 | 0.6 | C80163D282-4**** | 0.15 | 31.5 | 18 | 9 | 27.5 | 0.8 | C80163D415-B**** | |
0.01 | 13 | 11 | 5 | 10 | 0.6 | C80163D310-4**** | 0.18 | 31.5 | 18 | 9 | 27.5 | 0.8 | C80163D418-B**** | |
0.012 | 13 | 11 | 5 | 10 | 0.6 | C80163D312-4**** | 0.22 | 31.5 | 18 | 9 | 27.5 | 0.8 | C80163D422-B**** | |
0.015 | 13 | 12 | 6 | 10 | 0.6 | C80163D315-4**** | 0.27 | 31.5 | 18 | 9 | 27.5 | 0.8 | C80163D427-B**** | |
0.018 | 13 | 12 | 6 | 10 | 0.6 | C80163D318-4**** | 0.33 | 31.5 | 20 | 11 | 27.5 | 0.8 | C80163D433-B**** | |
0.01 | 18 | 11 | 5 | 15 | 0.6 | C80163D310-6**** | 0.39 | 31.5 | 20 | 11 | 27.5 | 0.8 | C80163D439-B**** | |
0.012 | 18 | 11 | 5 | 15 | 0.6 | C80163D312-6**** | 0.47 | 31.5 | 22 | 13 | 27.5 | 0.8 | C80163D447-B**** | |
0.015 | 18 | 11 | 5 | 15 | 0.6 | C80163D315-6**** | 0.56 | 31.5 | 22 | 13 | 27.5 | 0.8 | C80163D456-B**** | |
0.018 | 18 | 11 | 5 | 15 | 0.6 | C80163D318-6**** | 0.68 | 31.5 | 23.5 | 14 | 27.5 | 0.8 | C80163D468-B**** | |
0.022 | 18 | 11 | 5 | 15 | 0.6 | C80163D322-6**** | 0.82 | 31.5 | 28 | 14 | 27.5 | 0.8 | C80163D482-B**** | |
0.027 | 18 | 11 | 5 | 15 | 0.6 | C80163D327-6**** | 1 | 31.5 | 33 | 18 | 27.5 | 0.8 | C80163D510-B**** | |
1.2 | 31.5 | 33 | 18 | 27.5 | 0.8 | C80163D512-B**** | ||||||||
● 规格尺寸Dimensions
1000VDC | 1000VDC | |||||||||||||
CR | W | H | T | P | d | Part Number | CR | W | H | T | P | d | Part Number | |
0.00047 | 10.5 | 9 | 4 | 7.5 | 0.6 | C80210D147-3**** | 0.018 | 18 | 13.5 | 7.5 | 15 | 0.8 | C80210D318-6**** | |
0.00056 | 10.5 | 9 | 4 | 7.5 | 0.6 | C80210D156-3**** | 0.022 | 18 | 13.5 | 7.5 | 15 | 0.8 | C80210D322-6**** | |
0.00068 | 10.5 | 9 | 4 | 7.5 | 0.6 | C80210D168-3**** | 0.027 | 18 | 14.5 | 8.5 | 15 | 0.8 | C80210D327-6**** | |
0.00082 | 10.5 | 9 | 4 | 7.5 | 0.6 | C80210D182-3**** | 0.033 | 18 | 14.5 | 8.5 | 15 | 0.8 | C80210D333-6**** | |
0.001 | 10.5 | 9 | 4 | 7.5 | 0.6 | C80210D210-3**** | 0.039 | 18 | 16 | 10 | 15 | 0.8 | C80210D339-6**** | |
0.0012 | 10.5 | 11 | 5 | 7.5 | 0.6 | C80210D212-3**** | 0.047 | 18 | 19 | 11 | 15 | 0.8 | C80210D347-6**** | |
0.0015 | 10.5 | 11 | 5 | 7.5 | 0.6 | C80210D215-3**** | 0.027 | 26.5 | 15 | 6 | 22.5 | 0.8 | C80210D327-9**** | |
0.0018 | 10.5 | 11 | 5 | 7.5 | 0.6 | C80210D218-3**** | 0.033 | 26.5 | 15 | 6 | 22.5 | 0.8 | C80210D333-9**** | |
0.0022 | 10.5 | 11 | 5 | 7.5 | 0.6 | C80210D222-3**** | 0.039 | 26.5 | 15 | 6 | 22.5 | 0.8 | C80210D339-9**** | |
0.0027 | 10.5 | 12 | 6 | 7.5 | 0.6 | C80210D227-3**** | 0.047 | 26.5 | 16.5 | 7 | 22.5 | 0.8 | C80210D347-9**** | |
0.0033 | 10.5 | 12 | 6 | 7.5 | 0.6 | C80210D233-3**** | 0.056 | 26.5 | 16.5 | 7 | 22.5 | 0.8 | C80210D356-9**** | |
0.001 | 13 | 9 | 4 | 10 | 0.6 | C80210D210-4**** | 0.068 | 26.5 | 17 | 8.5 | 22.5 | 0.8 | C80210D368-9**** | |
0.0012 | 13 | 9 | 4 | 10 | 0.6 | C80210D212-4**** | 0.082 | 26.5 | 19.5 | 10.5 | 22.5 | 0.8 | C80210D382-9**** | |
0.0015 | 13 | 9 | 4 | 10 | 0.6 | C80210D215-4**** | 0.1 | 26.5 | 19.5 | 10.5 | 22.5 | 0.8 | C80210D410-9**** | |
0.0018 | 13 | 9 | 4 | 10 | 0.6 | C80210D218-4**** | 0.12 | 26.5 | 22 | 12 | 22.5 | 0.8 | C80210D412-9**** | |
0.0022 | 13 | 9 | 4 | 10 | 0.6 | C80210D222-4**** | 0.15 | 26.5 | 22 | 12 | 22.5 | 0.8 | C80210D415-9**** | |
0.0027 | 13 | 9 | 4 | 10 | 0.6 | C80210D227-4**** | 0.1 | 31.5 | 18 | 9 | 27.5 | 0.8 | C80210D410-B**** | |
0.0033 | 13 | 9 | 4 | 10 | 0.6 | C80210D233-4**** | 0.12 | 31.5 | 20 | 11 | 27.5 | 0.8 | C80210D412-B**** | |
0.0039 | 13 | 11 | 5 | 10 | 0.6 | C80210D239-4**** | 0.15 | 31.5 | 20 | 11 | 27.5 | 0.8 | C80210D415-B**** | |
0.0047 | 13 | 11 | 5 | 10 | 0.6 | C80210D247-4**** | 0.18 | 31.5 | 22 | 13 | 27.5 | 0.8 | C80210D418-B**** | |
0.0056 | 13 | 12 | 6 | 10 | 0.6 | C80210D256-4**** | 0.22 | 31.5 | 22 | 13 | 27.5 | 0.8 | C80210D422-B**** | |
0.0068 | 13 | 12 | 6 | 10 | 0.6 | C80210D268-4**** | 0.27 | 31.5 | 23.5 | 14 | 27.5 | 0.8 | C80210D427-B**** | |
0.0082 | 18 | 11 | 5 | 15 | 0.6 | C80210D282-6**** | 0.33 | 31.5 | 28 | 14 | 27.5 | 0.8 | C80210D433-B**** | |
0.01 | 18 | 11 | 5 | 15 | 0.6 | C80210D310-6**** | 0.39 | 31.5 | 33 | 18 | 27.5 | 0.8 | C80210D439-B**** | |
0.012 | 18 | 11 | 5 | 15 | 0.6 | C80210D312-6**** | 0.47 | 31.5 | 33 | 18 | 27.5 | 0.8 | C80210D447-B**** | |
0.015 | 18 | 11 | 5 | 15 | 0.6 | C80210D315-6**** | ||||||||
● 规格尺寸Dimensions
1600VDC | 1600VDC | |||||||||||||
CR | W | H | T | P | d | Part Number | CR | W | H | T | P | d | Part Number | |
0.00068 | 18 | 11 | 5 | 15 | 0.6 | C80216D168-6**** | 0.015 | 26.5 | 15 | 6 | 22.5 | 0.8 | C80216D315-9**** | |
0.00082 | 18 | 11 | 5 | 15 | 0.6 | C80216D182-6**** | 0.018 | 26.5 | 15 | 6 | 22.5 | 0.8 | C80216D318-9**** | |
0.001 | 18 | 11 | 5 | 15 | 0.6 | C80216D210-6**** | 0.022 | 26.5 | 15 | 6 | 22.5 | 0.8 | C80216D322-9**** | |
0.0012 | 18 | 11 | 5 | 15 | 0.6 | C80216D212-6**** | 0.027 | 26.5 | 15 | 6 | 22.5 | 0.8 | C80216D327-9**** | |
0.0015 | 18 | 11 | 5 | 15 | 0.6 | C80216D215-6**** | 0.033 | 26.5 | 16.5 | 7 | 22.5 | 0.8 | C80216D333-9**** | |
0.0018 | 18 | 11 | 5 | 15 | 0.6 | C80216D218-6**** | 0.039 | 26.5 | 17 | 8.5 | 22.5 | 0.8 | C80216D339-9**** | |
0.0022 | 18 | 11 | 5 | 15 | 0.6 | C80216D222-6**** | 0.047 | 26.5 | 19.5 | 10.5 | 22.5 | 0.8 | C80216D347-9**** | |
0.0027 | 18 | 11 | 5 | 15 | 0.6 | C80216D227-6**** | 0.056 | 26.5 | 19.5 | 10.5 | 22.5 | 0.8 | C80216D356-9**** | |
0.0033 | 18 | 11 | 5 | 15 | 0.6 | C80216D233-6**** | 0.068 | 26.5 | 22 | 12 | 22.5 | 0.8 | C80216D368-9**** | |
0.0039 | 18 | 11 | 5 | 15 | 0.6 | C80216D239-6**** | 0.082 | 26.5 | 22 | 12 | 22.5 | 0.8 | C80216D382-9**** | |
0.0047 | 18 | 11 | 5 | 15 | 0.6 | C80216D247-6**** | 0.039 | 31.5 | 18 | 9 | 27.5 | 0.8 | C80216D339-B**** | |
0.0056 | 18 | 11 | 5 | 15 | 0.6 | C80216D256-6**** | 0.047 | 31.5 | 18 | 9 | 27.5 | 0.8 | C80216D347-B**** | |
0.0068 | 18 | 11 | 5 | 15 | 0.6 | C80216D268-6**** | 0.056 | 31.5 | 18 | 9 | 27.5 | 0.8 | C80216D356-B**** | |
0.0082 | 18 | 12 | 6 | 15 | 0.8 | C80216D282-6**** | 0.068 | 31.5 | 18 | 9 | 27.5 | 0.8 | C80216D368-B**** | |
0.01 | 18 | 12 | 6 | 15 | 0.8 | C80216D310-6**** | 0.082 | 31.5 | 20 | 11 | 27.5 | 0.8 | C80216D382-B**** | |
0.012 | 18 | 13.5 | 7.5 | 15 | 0.8 | C80216D312-6**** | 0.1 | 31.5 | 20 | 11 | 27.5 | 0.8 | C80216D410-B**** | |
0.015 | 18 | 13.5 | 7.5 | 15 | 0.8 | C80216D315-6**** | 0.12 | 31.5 | 22 | 13 | 27.5 | 0.8 | C80216D412-B**** | |
0.018 | 18 | 14.5 | 8.5 | 15 | 0.8 | C80216D318-6**** | 0.15 | 31.5 | 23.5 | 14 | 27.5 | 0.8 | C80216D415-B**** | |
0.022 | 18 | 14.5 | 8.5 | 15 | 0.8 | C80216D322-6**** | 0.18 | 31.5 | 23.5 | 14 | 27.5 | 0.8 | C80216D418-B**** | |
0.027 | 18 | 16 | 10 | 15 | 0.8 | C80216D327-6**** | 0.22 | 31.5 | 28 | 14 | 27.5 | 0.8 | C80216D422-B**** | |
0.033 | 18 | 19 | 11 | 15 | 0.8 | C80216D333-6**** | 0.27 | 31.5 | 33 | 18 | 27.5 | 0.8 | C80216D427-B**** | |
0.33 | 31.5 | 33 | 18 | 27.5 | 0.8 | C80216D433-B**** | ||||||||
● 规格尺寸Dimensions
2000VDC | 2000VDC | |||||||||||||
CR | W | H | T | P | d | Part Number | CR | W | H | T | P | d | Part Number | |
0.00022 | 18 | 11 | 5 | 15 | 0.6 | C80220D122-6**** | 0.0027 | 26.5 | 15 | 6 | 22.5 | 0.8 | C80220D227-9**** | |
0.00027 | 18 | 11 | 5 | 15 | 0.6 | C80220D127-6**** | 0.0033 | 26.5 | 15 | 6 | 22.5 | 0.8 | C80220D233-9**** | |
0.00033 | 18 | 11 | 5 | 15 | 0.6 | C80220D133-6**** | 0.0039 | 26.5 | 15 | 6 | 22.5 | 0.8 | C80220D239-9**** | |
0.00039 | 18 | 11 | 5 | 15 | 0.6 | C80220D139-6**** | 0.0047 | 26.5 | 15 | 6 | 22.5 | 0.8 | C80220D247-9**** | |
0.00047 | 18 | 11 | 5 | 15 | 0.6 | C80220D147-6**** | 0.0056 | 26.5 | 15 | 6 | 22.5 | 0.8 | C80220D256-9**** | |
0.00056 | 18 | 11 | 5 | 15 | 0.6 | C80220D156-6**** | 0.0068 | 26.5 | 15 | 6 | 22.5 | 0.8 | C80220D268-9**** | |
0.00068 | 18 | 11 | 5 | 15 | 0.6 | C80220D168-6**** | 0.0082 | 26.5 | 15 | 6 | 22.5 | 0.8 | C80220D282-9**** | |
0.00082 | 18 | 11 | 5 | 15 | 0.6 | C80220D182-6**** | 0.01 | 26.5 | 15 | 6 | 22.5 | 0.8 | C80220D310-9**** | |
0.001 | 18 | 11 | 5 | 15 | 0.6 | C80220D210-6**** | 0.012 | 26.5 | 15 | 6 | 22.5 | 0.8 | C80220D312-9**** | |
0.0012 | 18 | 11 | 5 | 15 | 0.6 | C80220D212-6**** | 0.015 | 26.5 | 16.5 | 7 | 22.5 | 0.8 | C80220D315-9**** | |
0.0015 | 18 | 11 | 5 | 15 | 0.6 | C80220D215-6**** | 0.018 | 26.5 | 16.5 | 7 | 22.5 | 0.8 | C80220D318-9**** | |
0.0018 | 18 | 11 | 5 | 15 | 0.6 | C80220D218-6**** | 0.022 | 26.5 | 17 | 8.5 | 22.5 | 0.8 | C80220D322-9**** | |
0.0022 | 18 | 11 | 5 | 15 | 0.6 | C80220D222-6**** | 0.027 | 26.5 | 19.5 | 10.5 | 22.5 | 0.8 | C80220D327-9**** | |
0.0027 | 18 | 11 | 5 | 15 | 0.6 | C80220D227-6**** | 0.033 | 26.5 | 19.5 | 10.5 | 22.5 | 0.8 | C80220D333-9**** | |
0.0033 | 18 | 12 | 6 | 15 | 0.8 | C80220D233-6**** | 0.039 | 26.5 | 22 | 12 | 22.5 | 0.8 | C80220D339-9**** | |
0.0039 | 18 | 12 | 6 | 15 | 0.8 | C80220D239-6**** | 0.047 | 26.5 | 22 | 12 | 22.5 | 0.8 | C80220D347-9**** | |
0.0047 | 18 | 12 | 6 | 15 | 0.8 | C80220D247-6**** | 0.022 | 31.5 | 18 | 9 | 27.5 | 0.8 | C80220D322-B**** | |
0.0056 | 18 | 13.5 | 7.5 | 15 | 0.8 | C80220D256-6**** | 0.027 | 31.5 | 18 | 9 | 27.5 | 0.8 | C80220D327-B**** | |
0.0068 | 18 | 13.5 | 7.5 | 15 | 0.8 | C80220D268-6**** | 0.033 | 31.5 | 18 | 9 | 27.5 | 0.8 | C80220D333-B**** | |
0.0082 | 18 | 14.5 | 8.5 | 15 | 0.8 | C80220D282-6**** | 0.039 | 31.5 | 20 | 11 | 27.5 | 0.8 | C80220D339-B**** | |
0.01 | 18 | 16 | 10 | 15 | 0.8 | C80220D310-6**** | 0.047 | 31.5 | 20 | 11 | 27.5 | 0.8 | C80220D347-B**** | |
0.012 | 18 | 16 | 10 | 15 | 0.8 | C80220D312-6**** | 0.056 | 31.5 | 22 | 13 | 27.5 | 0.8 | C80220D356-B**** | |
0.015 | 18 | 19 | 11 | 15 | 0.8 | C80220D315-6**** | 0.068 | 31.5 | 22 | 13 | 27.5 | 0.8 | C80220D368-B**** | |
0.001 | 26.5 | 15 | 6 | 22.5 | 0.8 | C80220D210-9**** | 0.082 | 31.5 | 23.5 | 14 | 27.5 | 0.8 | C80220D382-B**** | |
0.0012 | 26.5 | 15 | 6 | 22.5 | 0.8 | C80220D212-9**** | 0.1 | 31.5 | 28 | 14 | 27.5 | 0.8 | C80220D410-B**** | |
0.0015 | 26.5 | 15 | 6 | 22.5 | 0.8 | C80220D215-9**** | 0.12 | 31.5 | 33 | 18 | 27.5 | 0.8 | C80220D412-B**** | |
0.0018 | 26.5 | 15 | 6 | 22.5 | 0.8 | C80220D218-9**** | 0.15 | 31.5 | 33 | 18 | 27.5 | 0.8 | C80220D415-B**** | |
0.0022 | 26.5 | 15 | 6 | 22.5 | 0.8 | C80220D222-9**** | ||||||||

kaiyun开云官方网页版专业的科研机构和一支高水平 的研发团队

kaiyun开云官方网页版众多国家认可资质

宏大事业感召人,优厚待遇吸引人,优 秀文化凝聚人,创造条件成就人

为客户提供优质、安全、环保、高效的产品和服务


市场部:671384967
13775603525(肖小姐)