
IGBT用突波缓冲吸收电容器(焊片)
查看PDF:CXS 焊片IGBT用突波缓冲吸收电容器.pdf
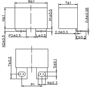
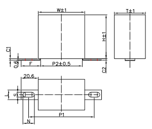
●外形图Outline Drawing

L×F×N×S=14.3×16×9.2×6.2或 L×F×N×S=14.3×15×9.2×6.2或
L×F×N×S=15×16.3×10.2×6.2 L×F×N×S=15×15×10.4×6.2
图1(Style1) 图2(Style2)


应用
适用于各种规格的IGBT缓冲吸收保护。
产品描述
引用标准GB/T 17702 idt IEC 61071,
GB/T 2693 idt IEC 60384-1;
双面金属化极板,聚丙烯介质无感式卷绕;
具有低的ESR和高的dv/dt特性;
可承受很大的峰-峰值电流Ipp和高频有效值电流Irms;
可提供满足各类IGBT系列化产品。
工艺特点
采用双面金属化膜做电极,以提高dv/dt特性;
可提供内置快恢复管的模块化器件。
● 性能指标 Specifications
引用标准Reference Standard | GB/T 17702 (IEC 61071) | |
气候类别Climatic Category | 40/85/56 | |
工作温度范围 (外壳耐高温度点) Temperature Range(case) | -40~+85℃ | |
额定工作电压 Rated Voltage Un | 630Vdc~3000Vdc | |
电容量范围 Capacitance Range | 0.047~9μF | |
电容量偏差Capacitance Tolerance ΔC/C | J:±5% K:±10% | |
耐电压Voltage Proof | 1.6Un ( 10s ) | |
损耗角正切Dissipation Factor | 5×10-4(1kHz,20℃) | |
绝缘电阻Insulation Resistance | IR≥100000MΩ,CN≤0.33μF | 20℃,100Vdc,1min |
IR≥30000S,CN>0.33μF | ||
预期寿命Expected Lifetime | ≥100000h @ UN θhs=70℃ | |
产品编码说明 Part number system
● 16位产品代码如下:
1 | 2 | 3 | 4 | 5 | 6 | 7 | 8 | 9 | 10 | 11 | 12 | 13 | 14 | 15 | 16 |
C | X | S |
第1~3位 Digit 1 to 3 型号代码 Series code
CXS
第4~6位 Digit 4 to 6 额定电压 Rated voltage
举例:163=101×63V=630V
第7位 Digit 7 交流/直流电压 AC/DC
A=AC D=DC
第8~10位 Digit 8 to 10 标称容量 Rated capacitance value
举例: 310=103×10pF=0.01μF
第11位 Digit 11 容量偏差 Capacitance tolerance
J=±5%,K=±10%
第12位 Digit 12 主要特征码 Main code
第13~16位 Digit 13 to 16 内部识别码 Internal use
内部识别码Internal use
第13位Digit 13 | |||||
额定电压 Rated voltage | 焊片的引出方式 Style of solder slice | 外壳宽度 Width of case | 安装孔距 Distance of hole for fixing | 焊片间距 Distance of solder slice | |
W | P | Code | P1 | ||
630Vdc 700Vdc 850Vdc 1000Vdc | 图1(Style 1) or 图2(Style 2) | 37/42 | 17~25 | 1 | 7 |
22~30 | 2 | 12 | |||
57 | 30~38 | 3 | 20 | ||
35~43 | 4 | 25 | |||
图3(Style 3) | 37 | 52~62 | 5 | 33 | |
42 | 57~67 | 6 | 38 | ||
57 | 70~80 | 7 | 51 | ||
1200Vdc 1600Vdc 1700Vdc 2000Vdc 2500Vdc 3000Vdc | 图1(Style 1) or 图2(Style 2) | 37/42 | 16~24 | A | 6 |
21~29 | B | 11 | |||
57 | 31~39 | C | 21 | ||
36~44 | D | 26 | |||
图3(Style 3) | 37 | 51~61 | E | 32 | |
42 | 56~66 | F | 37 | ||
57 | 71~81 | G | 52 | ||
额定电压 Rated voltage | 焊片的引出方式 Style of solder slice | 外壳宽度 Width of case | 安装孔距 Distance of hole for fixing | 焊片间距 Distance of solder slice | |
W | P | Code | P1 | ||
630VDC~3000Vdc | 图4(Style 4) | 19 | 30~34 | H | 15 |
25 | 36~40 | I | 21 | ||
30 | 41~45 | J | 26 | ||
第14位Digit 14 | 第15位Digit 15 | 第16位Digit 16 | ||||
C高度 | 焊片的引出方式 Style of solder slice | 焊片的尺寸 Size of solder slice | ||||
Code | C1 | C2 | Code | 图(Style) | Code | L×F×N×S |
0 | C1=C2<3 | 1 | 图1(Style1) | 1 | 14.3×15×9.2×6.2 | |
1 | C1=C2=6 | 2 | 图2(Style2) | 2 | 15×15×10.4×6.2 | |
3 | 图3(Style3) | 3 | 12×19.6×14.1×6.1 | |||
● 技术参数Technical data (mm)
630Vdc/700Vdc(420Vac) | |||||||||
CN | W±1.0 | H±1.0 | T±1.0 | dv/dt | I | ESR | Imax | LS | Part number |
0.68 | 37 | 25 | 15 | 900 | 612 | 5 | 9 | 23 | CXS170D468*1**** |
1.0 | 37 | 30 | 16 | 900 | 900 | 5 | 12 | 23 | CXS170D510*1**** |
1.2 | 37 | 30 | 16 | 900 | 1080 | 4.5 | 14 | 23 | CXS170D512*1**** |
1.5 | 37 | 34 | 20 | 900 | 1350 | 4.5 | 17 | 23 | CXS170D515*1**** |
1.8 | 37 | 34 | 20 | 900 | 1620 | 4.5 | 18 | 23 | CXS170D518*1**** |
2.0 | 42 | 40 | 20 | 600 | 1200 | 4 | 18 | 29 | CXS170D520*1**** |
2.0 | 42 | 40 | 20 | 600 | 1320 | 4 | 18.5 | 29 | CXS170D522*1**** |
2.5 | 42 | 40 | 20 | 600 | 1500 | 4 | 19 | 29 | CXS170D525*1**** |
3.0 | 42 | 44 | 24 | 600 | 1800 | 4 | 20 | 29 | CXS170D530*1**** |
3.3 | 42 | 44 | 24 | 600 | 1980 | 3.5 | 20 | 29 | CXS170D533*1**** |
4.0 | 42 | 44 | 24 | 600 | 2400 | 3.5 | 21 | 29 | CXS170D540*1**** |
4.7 | 42 | 45 | 30 | 600 | 2820 | 3.5 | 23 | 29 | CXS170D547*1**** |
5.0 | 42 | 45 | 30 | 600 | 3000 | 3 | 23.5 | 29 | CXS170D550*1**** |
6.0 | 42 | 43 | 42 | 600 | 3600 | 3 | 25 | 29 | CXS170D560*1**** |
6.5 | 42 | 43 | 42 | 600 | 3900 | 3 | 26 | 29 | CXS170D565*1**** |
6.5 | 57 | 45 | 30 | 360 | 2340 | 2.5 | 24 | 33 | CXS170D565*2**** |
7.0 | 57 | 45 | 30 | 360 | 2520 | 2.5 | 25 | 33 | CXS170D570*1**** |
8.0 | 57 | 50 | 35 | 360 | 2880 | 2.5 | 27 | 33 | CXS170D580*1**** |
9.0 | 57 | 50 | 35 | 360 | 3240 | 2.5 | 29 | 33 | CXS170D590*1**** |
850Vdc(450Vac) | |||||||||
CN | W±1.0 | H±1.0 | T±1.0 | dv/dt | I | ESR | Imax | LS | Part number |
0.47 | 37 | 25 | 15 | 1200 | 564 | 5.0 | 9 | 23 | CXS185D447*1**** |
0.68 | 37 | 30 | 16 | 1200 | 816 | 5.0 | 12 | 23 | CXS185D468*1**** |
1.0 | 37 | 34 | 20 | 1200 | 1200 | 5.0 | 14 | 23 | CXS185D510*1**** |
1.2 | 37 | 34 | 20 | 1200 | 1440 | 5.0 | 16 | 23 | CXS185D512*1**** |
1.5 | 37 | 34 | 20 | 1200 | 1800 | 5.0 | 18 | 23 | CXS185D515*1**** |
1.5 | 42 | 40 | 20 | 750 | 1125 | 4.5 | 18.5 | 29 | CXS185D515*2**** |
2.0 | 42 | 40 | 20 | 750 | 1500 | 4.5 | 19 | 29 | CXS185D520*1**** |
2.2 | 42 | 40 | 20 | 750 | 1650 | 4.5 | 19.5 | 29 | CXS185D522*1**** |
2.5 | 42 | 44 | 24 | 750 | 1875 | 4.5 | 20.0 | 29 | CXS185D525*1**** |
3.0 | 42 | 44 | 24 | 750 | 2250 | 4.5 | 21.0 | 29 | CXS185D530*1**** |
3.3 | 42 | 45 | 30 | 750 | 2475 | 4.5 | 21.5 | 29 | CXS185D533*1**** |
4.0 | 42 | 43 | 42 | 750 | 3000 | 4.5 | 22 | 29 | CXS185D540*1**** |
4.0 | 57 | 45 | 30 | 450 | 1800 | 4 | 23.0 | 33 | CXS185D540*2**** |
4.7 | 57 | 45 | 30 | 450 | 2115 | 4 | 24.5 | 33 | CXS185D547*1**** |
5.0 | 57 | 45 | 30 | 450 | 2250 | 4 | 25 | 33 | CXS185D550*1**** |
6.0 | 57 | 50 | 35 | 450 | 2700 | 4 | 26 | 33 | CXS185D560*1**** |
6.5 | 57 | 50 | 35 | 450 | 2925 | 4 | 27 | 33 | CXS185D565*1**** |
1000Vdc(500Vac) | |||||||||
CN | W±1.0 | H±1.0 | T±1.0 | dv/dt | I | ESR | Imax | LS | Part number |
0.47 | 37 | 25 | 15 | 1300 | 611 | 5.0 | 9 | 23 | CXS210D447*1**** |
0.68 | 37 | 30 | 16 | 1300 | 884 | 5.0 | 10.5 | 23 | CXS210D468*1**** |
0.82 | 37 | 30 | 16 | 1300 | 1066 | 5.0 | 12 | 23 | CXS210D482*1**** |
1.0 | 37 | 34 | 20 | 1300 | 1300 | 4.5 | 15 | 23 | CXS210D510*1**** |
1.2 | 37 | 34 | 20 | 1300 | 1560 | 4.5 | 17 | 23 | CXS210D512*1**** |
1.2 | 42 | 40 | 20 | 850 | 1020 | 4.5 | 16 | 29 | CXS210D512*2**** |
1.5 | 42 | 40 | 20 | 850 | 1275 | 4.5 | 16 | 29 | CXS210D515*1**** |
2.0 | 42 | 44 | 24 | 850 | 1700 | 4.5 | 17 | 29 | CXS210D520*1**** |
2.2 | 42 | 44 | 24 | 850 | 1870 | 4.0 | 20 | 29 | CXS210D522*1**** |
2.5 | 42 | 45 | 30 | 850 | 2125 | 4.0 | 21 | 29 | CXS210D525*1**** |
3.0 | 42 | 45 | 30 | 850 | 2550 | 4.0 | 21.5 | 29 | CXS210D530*1**** |
3.3 | 42 | 43 | 42 | 850 | 2805 | 4.0 | 22 | 29 | CXS210D533*1**** |
3.3 | 57 | 45 | 30 | 500 | 1650 | 4.0 | 20 | 33 | CXS210D533*2**** |
4.0 | 57 | 45 | 30 | 500 | 2000 | 4.0 | 21 | 33 | CXS210D540*1**** |
4.7 | 57 | 50 | 35 | 500 | 2350 | 4.0 | 22 | 33 | CXS210D547*1**** |
5.0 | 57 | 50 | 35 | 500 | 2500 | 4.0 | 23 | 33 | CXS210D550*1**** |
1200Vdc(600Vac) | |||||||||
CN | W±1.0 | H±1.0 | T±1.0 | dv/dt | I | ESR | Imax | LS | Part number |
0.33 | 37 | 25 | 15 | 1500 | 495 | 4.5 | 9 | 23 | CXS212D433*1**** |
0.47 | 37 | 30 | 16 | 1500 | 705 | 4.5 | 11 | 23 | CXS212D447*1**** |
0.68 | 37 | 34 | 20 | 1500 | 1020 | 4.5 | 12.5 | 23 | CXS212D468*1**** |
0.75 | 37 | 34 | 20 | 1500 | 1125 | 4.5 | 13 | 23 | CXS212D475*1**** |
0.82 | 42 | 40 | 20 | 950 | 779 | 4.0 | 14.5 | 29 | CXS212D482*1**** |
1.0 | 42 | 40 | 20 | 950 | 950 | 4.0 | 16 | 29 | CXS212D510*1**** |
1.2 | 42 | 44 | 24 | 950 | 1140 | 4.0 | 19 | 29 | CXS212D512*1**** |
1.5 | 42 | 44 | 24 | 950 | 1425 | 4.0 | 19.5 | 29 | CXS212D515*1**** |
2.0 | 42 | 45 | 30 | 950 | 1900 | 4.0 | 20 | 29 | CXS212D520*1**** |
2.2 | 42 | 43 | 42 | 950 | 2090 | 4.0 | 21 | 29 | CXS212D522*1**** |
2.5 | 42 | 43 | 42 | 950 | 2375 | 4.0 | 22 | 29 | CXS212D525*1**** |
2.2 | 57 | 45 | 30 | 600 | 1320 | 3.8 | 20 | 33 | CXS212D522*2**** |
2.5 | 57 | 45 | 30 | 600 | 1500 | 3.8 | 21 | 33 | CXS212D525*2**** |
3.0 | 57 | 45 | 30 | 600 | 1800 | 3.8 | 22 | 33 | CXS212D530*1**** |
3.3 | 57 | 50 | 35 | 600 | 1980 | 3.8 | 23 | 33 | CXS212D533*1**** |
4.0 | 57 | 50 | 35 | 600 | 2400 | 3.8 | 24 | 33 | CXS212D540*1**** |
1600Vdc(650Vac) | |||||||||
CN | W±1.0 | H±1.0 | T±1.0 | dv/dt | I | ESR | Imax | LS | Part number |
0.22 | 37 | 25 | 15 | 1900 | 418 | 6.0 | 8 | 23 | CXS216D422*1**** |
0.33 | 37 | 30 | 16 | 1900 | 627 | 6.0 | 10 | 23 | CXS216D433*1**** |
0.39 | 37 | 34 | 20 | 1900 | 741 | 5.5 | 12 | 23 | CXS216D439*1**** |
0.47 | 37 | 34 | 20 | 1900 | 893 | 5.5 | 14 | 23 | CXS216D447*1**** |
0.68 | 42 | 40 | 20 | 1250 | 850 | 4.0 | 16 | 29 | CXS216D468*1**** |
0.82 | 42 | 44 | 24 | 1250 | 1025 | 4.0 | 19 | 29 | CXS216D482*1**** |
1.0 | 42 | 45 | 30 | 1250 | 1250 | 4.0 | 19.5 | 29 | CXS216D510*1**** |
1.2 | 42 | 45 | 30 | 1250 | 1500 | 4.0 | 20 | 29 | CXS216D512*1**** |
1.5 | 42 | 43 | 42 | 1250 | 1875 | 4.0 | 21 | 29 | CXS216D515*1**** |
1.5 | 57 | 45 | 30 | 750 | 1125 | 3.5 | 22 | 33 | CXS216D515*2**** |
2.0 | 57 | 50 | 35 | 750 | 1500 | 3.5 | 24 | 33 | CXS216D520*1**** |
1700Vdc(675Vac) | |||||||||
CN | W±1.0 | H±1.0 | T±1.0 | dv/dt | I | ESR | Imax | LS | Part number |
0.15 | 37 | 25 | 15 | 2000 | 300 | 7.0 | 7 | 23 | CXS217D415*1**** |
0.22 | 37 | 30 | 16 | 2000 | 440 | 6.0 | 9 | 23 | CXS217D422*1**** |
0.33 | 37 | 34 | 20 | 2000 | 660 | 5.5 | 11.5 | 23 | CXS217D433*1**** |
0.39 | 37 | 34 | 20 | 2000 | 780 | 5.5 | 13 | 23 | CXS217D439*1**** |
0.47 | 42 | 36 | 24 | 1260 | 592 | 4.0 | 14 | 29 | CXS217D447*1**** |
0.56 | 42 | 36 | 24 | 1260 | 706 | 4.0 | 15.5 | 29 | CXS217D456*1**** |
0.68 | 42 | 44 | 24 | 1260 | 857 | 3.5 | 18 | 29 | CXS217D468*1**** |
0.82 | 42 | 44 | 24 | 1260 | 1033 | 3.5 | 19 | 29 | CXS217D482*1**** |
1.0 | 42 | 45 | 30 | 1260 | 1260 | 3.5 | 20 | 29 | CXS217D510*1**** |
1.2 | 42 | 43 | 42 | 1260 | 1512 | 3.5 | 21 | 29 | CXS217D512*1**** |
1.0 | 57 | 45 | 25 | 780 | 780 | 3.5 | 18 | 33 | CXS217D510*2**** |
1.2 | 57 | 43.5 | 29.5 | 780 | 936 | 3.5 | 19 | 33 | CXS217D512*2**** |
1.5 | 57 | 50 | 35 | 780 | 1170 | 3.0 | 22 | 33 | CXS217D515*1**** |
2.0 | 57 | 50 | 35 | 780 | 1560 | 3.0 | 24 | 33 | CXS217D520*1**** |
3.0 | 57 | 55 | 45 | 780 | 2340 | 3.0 | 28 | 33 | CXS217D530*1**** |
2000Vdc(700Vac) | |||||||||
CN | W±1.0 | H±1.0 | T±1.0 | dv/dt | I | ESR | Imax | LS | Part number |
0.1 | 37 | 25 | 15 | 2241 | 224 | 8.0 | 7 | 23 | CXS220D410*1**** |
0.15 | 37 | 25 | 15 | 2241 | 336 | 8.0 | 8.5 | 23 | CXS220D415*1**** |
0.22 | 37 | 30 | 16 | 2241 | 493 | 6.0 | 10 | 23 | CXS220D422*1**** |
0.33 | 37 | 34 | 20 | 2241 | 740 | 6.0 | 13 | 23 | CXS220D433*1**** |
0.47 | 42 | 40 | 20 | 1300 | 611 | 4.0 | 15.5 | 29 | CXS220D447*1**** |
0.56 | 42 | 44 | 24 | 1300 | 728 | 4.0 | 18 | 29 | CXS220D456*1**** |
0.68 | 42 | 44 | 24 | 1300 | 884 | 3.5 | 18.5 | 29 | CXS220D468*1**** |
0.82 | 42 | 45 | 30 | 1300 | 1066 | 3.5 | 19 | 29 | CXS220D482*1**** |
1.0 | 42 | 43 | 42 | 1300 | 1300 | 3.5 | 21 | 29 | CXS220D510*1**** |
1.0 | 57 | 45 | 30 | 850 | 850 | 4.0 | 24 | 33 | CXS220D510*2**** |
1.2 | 57 | 45 | 30 | 850 | 1020 | 4.0 | 23 | 33 | CXS220D512*1**** |
1.5 | 57 | 50 | 35 | 850 | 1275 | 4.0 | 24 | 33 | CXS220D515*1**** |
2500Vdc(725Vac) | |||||||||
CN | W±1.0 | H±1.0 | T±1.0 | dv/dt | I | ESR | Imax | LS | Part number |
0.068 | 37 | 25 | 15 | 3230 | 220 | 8.5 | 6.5 | 23 | CXS225D368*1**** |
0.10 | 37 | 30 | 16 | 3230 | 323 | 8.5 | 8 | 23 | CXS225D410*1**** |
0.15 | 37 | 34 | 20 | 3230 | 485 | 8.0 | 11 | 23 | CXS225D415*1**** |
0.18 | 37 | 34 | 20 | 3230 | 581 | 7.5 | 12.5 | 23 | CXS225D418*1**** |
0.22 | 42 | 40 | 20 | 2100 | 462 | 4.0 | 14 | 29 | CXS225D422*1**** |
0.33 | 42 | 44 | 24 | 2100 | 693 | 4.0 | 15.5 | 29 | CXS225D433*1**** |
0.47 | 42 | 45 | 30 | 2100 | 987 | 3.5 | 18 | 29 | CXS225D447*1**** |
0.68 | 42 | 43 | 42 | 2100 | 1428 | 3.5 | 18.5 | 29 | CXS225D468*1**** |
0.68 | 57 | 45 | 30 | 1200 | 816 | 3.5 | 19 | 33 | CXS225D468*2**** |
1.0 | 57 | 50 | 35 | 1200 | 1200 | 3.5 | 19.5 | 33 | CXS225D510*1**** |
3000Vdc(750Vac) | |||||||||
CN | W±1.0 | H±1.0 | T±1.0 | dv/dt | I | ESR | Imax | LS | Part number |
0.047 | 37 | 25 | 15 | 3361 | 158 | 8.5 | 7.5 | 23 | CXS230D347*1**** |
0.068 | 37 | 30 | 16 | 3361 | 229 | 8.0 | 9 | 23 | CXS230D368*1**** |
0.1 | 37 | 34 | 20 | 3361 | 336 | 7.5 | 10.5 | 23 | CXS230D410*1**** |
0.15 | 37 | 34 | 20 | 3361 | 504 | 7.0 | 12 | 23 | CXS230D415*1**** |
0.22 | 42 | 40 | 20 | 2050 | 451 | 5.0 | 13 | 29 | CXS230D422*1**** |
0.33 | 42 | 45 | 30 | 2050 | 677 | 4.5 | 16.5 | 29 | CXS230D433*1**** |
0.47 | 42 | 43 | 42 | 2050 | 964 | 4.0 | 18 | 29 | CXS230D447*1**** |
0.47 | 57 | 45 | 30 | 1200 | 564 | 4.0 | 18.5 | 33 | CXS230D447*2**** |
0.68 | 57 | 50 | 35 | 1200 | 816 | 4.0 | 19 | 33 | CXS230D468*1**** |
0.82 | 57 | 50 | 35 | 1200 | 984 | 3.5 | 20 | 33 | CXS230D482*1**** |

kaiyun开云官方网页版专业的科研机构和一支高水平 的研发团队

kaiyun开云官方网页版众多国家认可资质

宏大事业感召人,优厚待遇吸引人,优 秀文化凝聚人,创造条件成就人

为客户提供优质、安全、环保、高效的产品和服务


市场部:671384967
13775603525(肖小姐)